实力商家
在义乌国际贸城市场内诚信经营的实体店铺。
价格
起批量
¥20.00起
常规色米白, 可定做颜色
优选ABS原料,机器钉珠不爆珠,环保无毒,不掉皮, 经过水磨抛光,磨去毛边和料口,亮度好 . 爪钉都是钉珠机配套通用的,爪钉一包50000个,7元10000个,一包起发.
珍珠可定做各种颜色

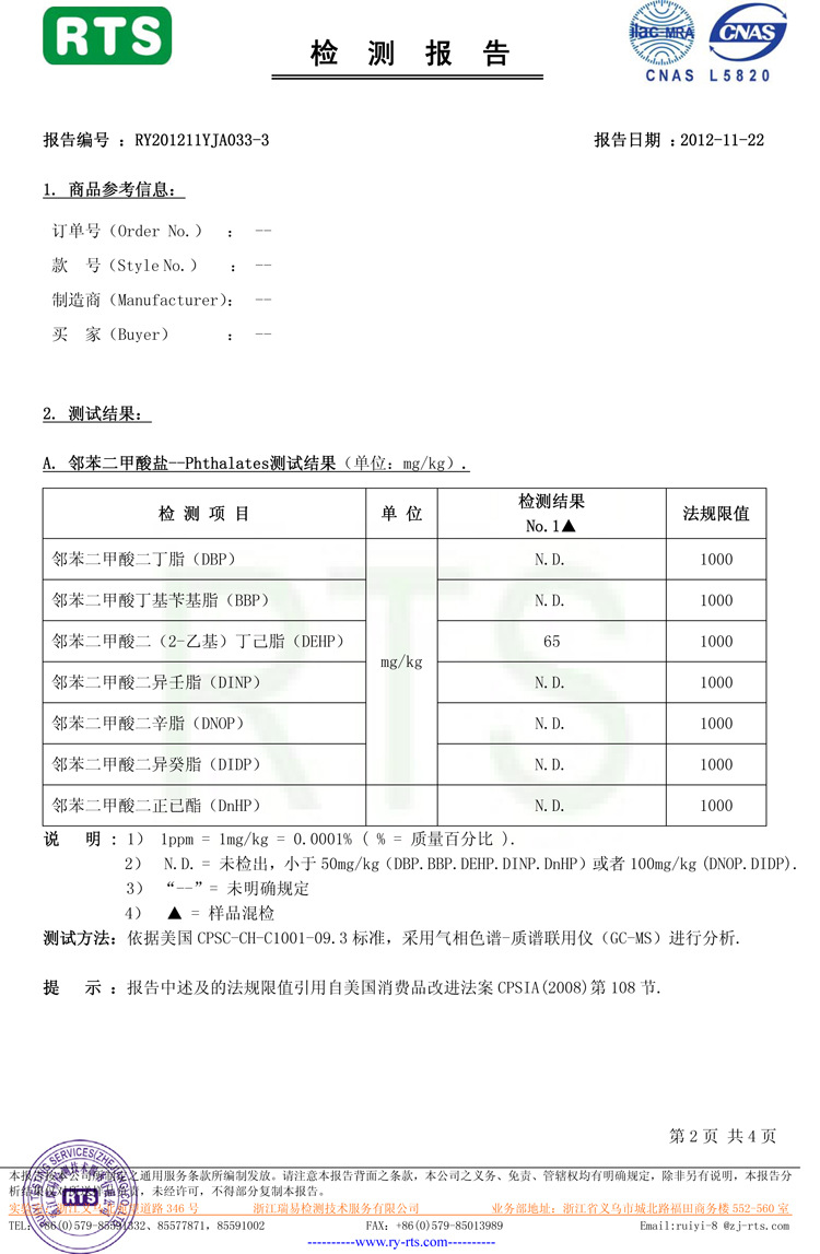
我们的产品可以出口欧美,中东,东北亚等地区,下边是我们的环保检测报告,欢迎跨国采购集团,各大外贸公司前来验厂,了解我们的质量再洽谈合作,达到互利共赢,共同发展,长期合作。。。。。。。


“义乌市海蒂饰品配件商行”专业生产销售各种高品质ABS仿珍珠、玻璃仿珍珠、半面仿珍珠、无孔、单孔仿珍珠及各种异形仿珍珠、亚光仿珍珠,幻彩仿珍珠,五彩仿贝壳仿珍珠、韩国高亮无水纹珠,电镀珠、各种钮扣仿珍珠等,并可承接客户来样来图加工定做。
公司成立于2006年,现有厂房10000多平方米,员工200多人。集生产、研发、设计、销售和展示为一体,有专业的设计研发团队,并拥有全部仿珍珠的工艺,已成为国内仿珍珠行业的龙头企业,客户遍及全国各地和多个国家地区。
公司现有各类模具:ABS塑料直孔圆珠(3-40mm),玻璃直孔圆珠(3-16mm),半圆仿珍珠(1.5-30mm),无孔圆珠(1.5-20mm),单孔圆珠(6-30mm),直孔单孔水滴、椭圆及其它各类异形,半面桃心、水滴、椭圆、太阳花等各类异形,共有模具上万具。可生产各种工艺(珠光、亚光、幻彩、皱纹、高亮、五彩仿贝、亮彩、橡皮漆、电镀等)。产品不起皮,不掉色,珠胚经过多次长时间抛光,没有注塑孔或合膜线。各种工艺表面会经过多次加工处理,在厚度及亮度上远超同行。所有产品使用环保材料,出口欧美和日韩,基本能通过各类环保检测。


我们的实力







仿珍珠在服装上应用


仿珍珠在合金配件上的应用

饰品配件,树脂配件,串珠配件